锂电池保护板连接方法图
电池保护板的升级版是叫BMS,是Battery Management System 取前面一个字母组成,其意思为电池管理系统,用来管理整组电池的系统,进而收集电池所有的信号,如电压、电流、温度等等,并将这些讯号区分为过电压、低电压、放电过电流、充电过电流、高温充放电、低温充放电、短路等等,将这些讯号做储存或分析提供给终端产品使用。BMS在广义上解释常被认为是保护板,狭义解释是一套电池管理的系统。
一、锂电池组的连接
1、打开锂电池包装箱,找到电池分组编号表,按照分组编号表的序号将电池进行排列。

2、进行锂电池组的串联,如果需要并联,则要先进行并联连接,再进行串联连接。
二、锂电池保护板连接
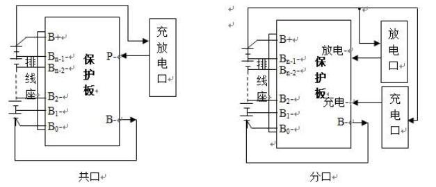
1、锂电池保护板安装示意图

2、实际连接
(1)、选择型号合适的保护板;
(2)、接线时,先将保护板上标示“B一”的导线接到电池组的总负极;
(3)、找到保护板的电压采集排线,将标示“0”的电压采集排线接到电池组总负极,标示“1”的采集排线接到第一块电池的正极(电池组总负极的电池作为第一块),标示“2”的采集排线接到第二块电池的正极,以此类推,标示“12”的采集排线接到最后一块电池的正极(也就是电池组总正极);最后,进行目视检查,确认连接情况;
(4)、将总正极红色电源线(标示“B+”)端接到电池组总正极,另一端做好绝缘防护,备用。(红色电源线是否配送需根据 BOM要求);
(5)、最后,将保护板电压采集排线的排线插头插到保护板上的排线插座上,用万用表直流电压档分别测量电池组总电压、电池组总正极和保护板上标示“p一”的引线端之间的电压,若两个电压值一致,说明保护板连接正常;三、使用方法
正确连接电池组和保护板之后,可正常充放电。
充电操作方法:将充电器的输入端接交流电,充电器输出端插口的正极(+)接电池组输出的导线正(B+)、输出端插口的负极(一)接保护板的P一端;结束充电后,拔掉充电器和电池组的连接后,可以进行放电;放电操作方法:将负载的输入端的正极(+)接电池组的总正极导线(B+)、负载输入端的负极(一)接保护板的P一端。
注:
若保护板为分口的,则充电操作时:将充电器的输入端接交流电,充电器输出端插口的正极(+)接电池组输出的导线正(B+)、输出端插口的负极(一)接保护板的C一端;放电操作时:将负载的输入端的正极(+)接电池组的总正极导线(B+)、负载输入端的负极(一)接保护板的P一端。
开云网页版页面登录相关的文章
-

锂电池保护板的作用是什么,锂电池保护板品牌厂家排名怎么样?
2023-12-18 -

什么是电池管理芯片,电池管理芯片的作用是什么?
2023-12-15 -

什么是锂电池保护板?有哪些作用?
2020-06-10












